Stainless steel water storage tanks
Stainless steel water storage tanks

Stainless steel water storage tanks from 80 to 3000 litres from Flexiheat UK
Stainless steel water storage tanks are storage tanks that are normally used to store drinking water quality, i.e., potable or clean water, making them a stainless steel potable water tank or stainless steel drinking water storage tanks as such.
Although they can also be used as water storage tanks for what is termed “black water” which is wastewater from toilets, or “grey water”, which is less contaminated wastewater from sinks, showers, and laundry, containing soaps, detergents, and food residue.
Our range of stainless steel storage tanks are not fuel tanks that can hold diesel, petrol or oil fluid or liquids. These types of storage tanks are supplied marked and are specialist stainless steel tanks made by a few approved companies.
Our stainless steel storage tank range, which are manufactured in either 304 stainless steel or duplex grade stainless steel, are usually used for drinking water (potable water) or alternatively clean water that is used in the food and drink, brewery, cosmetics, food processing, water treatment or pharmaceutical sectors, etc.
304 Stainless steel water compatibility guide
AISI 304 stainless steel (commonly known as 304 S/S) is highly compatible with and frequently used for the food industry, wastewater, grey water, freshwater, and cold potable water (sanitary drinking water) applications, offering excellent hygiene and corrosion resistance at ambient temperatures.
It handles water with up to 200 mg/L chlorides at 20°C, though the level drops to ~150 mg/L at 60°C. It is not suitable for saltwater or high-chloride environments as 304 stainless steel is susceptible to pitting corrosion.
304 Grade tanks are also used as a stainless steel buffer tank for heating or cooling systems.
Duplex stainless steel water compatibility guide
For more severe environments (if the water features higher heat, higher chlorides, or acidic water), duplex stainless steel is recommended ( Duplex 2205 stainless steel), so if the water features hot chlorinated water at 60°C or above, use the duplex range of stainless steel tanks.
Most popular tanks
This range of storage stainless steel tanks come with an immersion heater port – 40mm (1 1/2″), drain port,2 x sensor pockets, safety valve port etc, as standard.
The main outlet ports are at 180 degrees in orientation.

100 to 300 litre stainless steel tank tapping details from Flexiheat UK
304 Grade options from 50 to 1,000 Litres – e.g. fresh water tanks,drinking water or grey water usage or even heat pump buffer tanks.
| Vertical 304 grade stainless steel tanks or vessel options | Connection ports x 4 | Tank Diameter in mm | Tank Height in mm |
| 50 Litre Wall Mounted or Floor 304 Stainless steel tanks – 6 bar / 95C max | 1″ | 420 | 636 |
| 100 Litre Floor Standing 304 Stainless steel tanks – 6 bar / 95C max | 1 1/4″ | 470 | 995 |
| 200 Litre Floor Standing 304 Stainless steel tanks – 6 bar / 95C max | 1 1/4″ | 560 | 1325 |
| 300 Litre Floor Standing 304 Stainless steel tanks – 6 bar / 95C max | 1 1/4″ | 600 | 1150 |
| 500 Litre Floor Standing 304 Stainless steel tanks – 6 bar / 95C max ( 8 ports – 4 each side) | 1 1/4″ | 600 | 1828 |
| 1000 Litre Floor Standing 304 Stainless steel tanks – 6 bar / 95C max (8 ports – 4 each side) | 1 1/2″ | 900 | 2320 |
| Horizontal 304 grade stainless steel tanks or vessel options | Tank Diameter in mm | Tank Length in mm | |
| 200 Litre Horizontal 304 Stainless steel tanks – 6 bar / 95C max | 1 1/4″ | 560 | 1325 |
| 300 Litre Horizontal 304 Stainless steel tanks – 6 bar / 95C max | 1 1/4″ | 600 | 1150 |
| 500 Litre Horizontal 304 Stainless steel tanks – 6 bar / 95C max | 1 1/4″ | 600 | 1828 |
Duplex grade options
The duplex stainless models, which has excellent corrosion resistance, are available up to 1,500 Litres in a floor standing configuration.
We have full drawings and port details on each size tank, please contact us to send you over the details for your volume requirement.

500 to 1500 litre stainless steel tanks which have eight main connection ports.
| Vertical Duplex grade stainless steel tanks or vessel options – Duplex 2205 stainless steel grade | Connection ports x 4 | Tank Diameter in mm | Tank Height in mm |
| 50 Litre Wall Mounted or Floor Duplex stainless steel storage tanks – 6 bar / 95C max | 1″ | 420 | 636 |
| 100 Litre Floor Standing Duplex stainless steel storage tank – 6 bar / 95C max | 1 1/4″ | 470 | 995 |
| 200 Litre Floor Standing Duplex stainless steel storage tank – 6 bar / 95C max | 1 1/4″ | 560 | 1325 |
| 300 Litre Floor Standing Duplex stainless steel storage tank – 6 bar / 95C max | 1 1/4″ | 600 | 1150 |
| 500 Litre Floor Standing Duplex stainless steel storage tank – 6 bar / 95C max (8 ports – 4 each side) | 1 1/4″ | 600 | 1828 |
| 1000 Litre Floor Standing Duplex stainless steel storage tank – 6 bar / 95C max (8 ports – 4 each side) | 1 1/2″ | 900 | 2320 |
| 1500 Litre Floor Standing Duplex stainless steel storage tank – 6 bar / 95C max (8 ports – 4 each side) | 1 1/2″ | 1350 | 1769 |
| Horizontal Duplex grade stainless steel tanks or vessel options – Duplex 2205 stainless steel | Tank Diameter in mm | Tank Length in mm | |
| 200 Litre Horizontal Duplex stainless steel storage tank – 6 bar / 95C max | 1 1/4″ | 560 | 1325 |
| 300 Litre Horizontal Duplex stainless steel storage tank – 6 bar / 95C max | 1 1/4″ | 600 | 1150 |
| 500 Litre Horizontal Duplex stainless steel storage tank – 6 bar / 95C max | 1 1/4″ | 600 | 1828 |
Stainless steel tanks
Our stainless steel water storage tanks are manufactured from either 304 or high-grade duplex stainless steel grade , being designed for longevity and durability and ensuring high resistance to corrosion.
Duplex stainless steel also has very high resistance to chloride stress corrosion cracking, which is important for drinking water storage tanks or clean water storage tanks.
Stainless steel does not affect the taste of drinking water, making it a preferred choice for fresh water tanks.
Corrosion resistance of stainless steel
Stainless steel tanks are widely used in various applications, including construction sites, events, and festivals for water storage.
Stainless steel water tanks have excellent recycling value when they are no longer in use.
Stainless steel is 100% recyclable and often made from recycled materials, reducing environmental impact.
Stainless steel water tanks provide robust corrosion resistance with long-term service without the need for further protection of the water tank.
A well-maintained stainless steel water tank can last over 30 years with proper care. Stainless steel tanks are ideal for water and wastewater applications due to their inherent corrosion resistance.
Stainless steel tanks do not require ISO certification for water storage; only fuel tanks for diesel or petrol require this along with CE marked – and we don’t supply these fuel tanks, only standard water storage tanks, i.e., drinking water or black water.
Stainless water tank range
With a full range from 80 to 3,00 litres duplex stainless steel water storage tanks

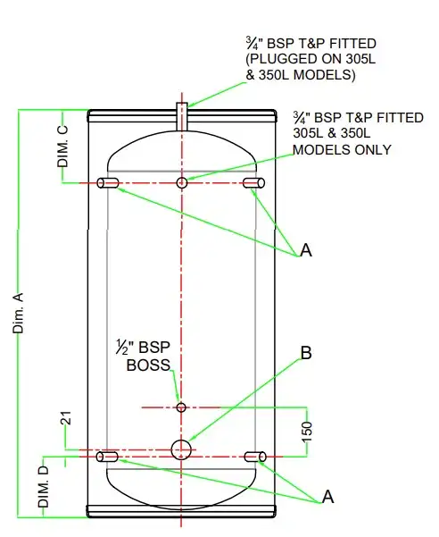
Technical dimension details of our stainless water storage vessels or tanks from Flexiheat UK
The water tank has four ports: two on the top and two at the bottom for water inlet or outlet, allowing it to be piped according to your requirements. The units ranging from 80 to 305 litres include a 1 ¾” tapping “B” (which is plugged as standard) for an immersion heater if needed or can be used as an inspection hatch; the units from 350 to 3,000 litres come with a 2 ¼” tapping (also plugged as standard) for an immersion heater or can be used as an inspection hatch.
We also have the option for a dedciated 100mm plug type clean out / inspection hatch on these stainless steel storage tanks.
| Volume (L) | Dim A (mm) | Dim B (mm) | Dim C (mm) | Dim D (mm) | “A” Connection size | “B” Tapping | Insulation Thickness |
| 80 | 645 | 575 | 222 | 185 | 28mm Stub | 1″3/4 BSP Female | 60mm |
| 100 | 800 | 575 | 222 | 185 | 28mm Stub | 1″3/4 BSP Female | 60mm |
| 130 | 958 | 575 | 222 | 185 | 28mm Stub | 1″3/4 BSP Female | 60mm |
| 150 | 1086 | 575 | 222 | 185 | 28mm Stub | 1″3/4 BSP Female | 60mm |
| 175 | 1242 | 575 | 222 | 185 | 28mm Stub | 1″3/4 BSP Female | 60mm |
| 215 | 1484 | 575 | 222 | 185 | 28mm Stub | 1″3/4 BSP Female | 60mm |
| 255 | 1753 | 575 | 222 | 185 | 28mm Stub | 1″3/4 BSP Female | 60mm |
| 305 | 2029 | 575 | 222 | 185 | 28mm Stub | 1″3/4 BSP Female | 60mm |
| 350 | 1257 | 750 | 254 | 295 | 2″ Bsp Female | 2″1/4 BSP Female | 50mm |
| 400 | 1430 | 750 | 254 | 295 | 2″ Bsp Female | 2″1/4 BSP Female | 50mm |
| 450 | 1564 | 750 | 254 | 295 | 2″ Bsp Female | 2″1/4 BSP Female | 50mm |
| 500 | 1715 | 750 | 254 | 295 | 2″ Bsp Female | 2″1/4 BSP Female | 50mm |
| 575 | 1930 | 750 | 254 | 295 | 2″ Bsp Female | 2″1/4 BSP Female | 50mm |
| 680 | 2250 | 750 | 254 | 295 | 2″ Bsp Female | 2″1/4 BSP Female | 50mm |
| 750 | 2470 | 750 | 254 | 295 | 2″ Bsp Female | 2″1/4 BSP Female | 50mm |
| 840 | 2750 | 750 | 254 | 295 | 2″ Bsp Female | 2″1/4 BSP Female | 50mm |
| 965 | 1800 | 990 | 310 | 355 | 2″ Bsp Female | 2″1/4 BSP Female | 45mm |
| 1125 | 2050 | 990 | 310 | 355 | 2″ Bsp Female | 2″1/4 BSP Female | 45mm |
| 1380 | 2070 | 1090 | 320 | 370 | 2″ Bsp Female | 2″1/4 BSP Female | 45mm |
| 1775 | 2570 | 1090 | 320 | 370 | 2″ Bsp Female | 2″1/4 BSP Female | 45mm |
| 1875 | 2000 | 1290 | 423 | 480 | 2″ Bsp Female | 2″1/4 BSP Female | 45mm |
| 2155 | 2282 | 1290 | 423 | 480 | 2″ Bsp Female | 2″1/4 BSP Female | 45mm |
| 2500 | 2550 | 1290 | 423 | 480 | 2″ Bsp Female | 2″1/4 BSP Female | 45mm |
| 3000 | 3000 | 1290 | 423 | 480 | 2″ Bsp Female | 2″1/4 BSP Female | 45mm |
The 28mm stubs will take compression fittings (Top tip – use hard brass olives to ensure a proper seal, as soft copper olives may not provide an adequate seal against hard stainless steel pipes and are not recommended for this application)
Top view drawing of the tanks

Top view detail of our stainless steel water storage tanks from Flexiheat UK
Non standard storage tanks
Available options include internal baffles inside the water tank if required, larger capacity connections and sizes, and higher pressure ratings to meet the client’s product requirements.
Contact Flexiheat UK
Should you require any more assistance, want to check stock, get a price or get additional information on the best stainless steel water storage tanks for sale, then please don’t hesitate to contact our sales team on 01202 822221 or click here for our site email contact form.

Flexiheat UK
Flexiheat UK