
Steam Unit Heaters – Heat Outputs from 14.6kW to 459kW

Steam Unit Heaters / Steam Fan Heaters / Steam Space Heaters form Flexiheat UK – Models -0,1 and 2
Steam Unit Heaters are the perfect heater for a steam heating system. With many industrial and petro-chemical plants utilizing steam on site as part of their process, it makes perfect sense to use this steam for heating purposes. Our horizontal blowing steam unit heaters are easy and quick to install, and installation costs are normally very low, as these steam fed unit heaters produce an lot of heat for the capital costs of the units. Our steam heaters provide a large variety of options in solving your comfort heating requirements.
Every steam unit heater model is designed for uniform heat delivery, reduced maintenance and long heat throws, as well as being tough and efficient. Our range of steam fan heaters can be mounted in a vertical mounting onto a wall or floor. i.e., blowing warm air out horizontally they cannot be horizontally mounted or suspended from the ceiling , unfortunately we can’t supply units suspended from the ceiling i.e. Blowing warm air down vertically. Thus these are horizontal discharge units.
These steam-fed unit heaters utilise steam to air heat exchange technology to transfer heat from steam into the surrounding air and require little or no maintenance.A great solution for high efficiency steam space heating with a long life.
As opposed to low temperature hot water heating systems, steam fed heating systems transfer heat into the space with exceptionally fast warm up times, making these steam space heaters ideal for heating warehouses, factories or other large spaces in food and beverage processing plants,chemical plants or refineries, and commercial laundries etc.
Industrial Steam Heaters – The Range
Our Steam Unit Heater range, called the “FHTHERM” are suitable for steam pressures up to 6 Bar Gauge – this is the highest pressure rating we can offer.
There are five industrial heaters within the range.
The steam unit heater consists of:
- An axial fan / fan driven blower – that provides a good air flow rate and range
- A steam fed Bi-metal steam heating coil / steam to air heat exchanger / heat exchangers – Stainless steel option at request.
- An external casing with fan guard
- A single-row inlet grid
- Adjustable front louvers – these adjustable louvers allow for directional heating as these are horizontal unit, the louvers can be adjusted to provide directional heating to cover production lines etc.
The steam heating coils (or heater battery) are made of steel tube heat exchange technology (not copper tube – due to the temperature and pressure of steam) with the external diameter of 25mm and spiral aluminium fins with an external diameter of 58mm with the aluminium fins or ribs spacing of 2.8mm or 5mm.This is why people sometimes refer to these energy-efficient heaters as steam coil air heater or a steam to air heat exchanger with fan.
Steam Heaters – The Benefits of Steam as a Heating Source / Medium
Heating with steam or a steam heating system offers the following advantages:
1.Steam fuel is classed as “pressure-temperature dependent” – therefore, the heating system temperature can be controlled by varying the steam pressure from the steam boiler.
2.Because of its low density, steam can be used in tall buildings where water heating systems can create excessive pressure in the system.
3.Steam flows through the system unaided by external energy sources such as pumps, thus saving capital expenditure and running costs.
4.Steam heaters or components can be repaired or replaced by just closing the steam supply, without the difficulties associated with draining and refilling associated with a water heating system.
5.Steam can be distributed throughout a heating system with little change in temperature making it particularly suitable for comfort heating in industrial plants, hospitals, dry-cleaning , laundries, and commercial buildings
6.It is also suited as the preferred space heating source when the heating medium must travel great distances, such as in sites with several scattered building locations.
7.Steam provides exceptionally fast warm up times.
Steam Unit Heater – Accessories
Our Steam Space Heaters, can be fitted with either a standard louvred distribution grid/ grill or can also be fitted with a cone / nozzle diffuser, which extends the effective air throw / distribution of the warm air , as detailed on the below chart

Effective air throw with standard Grille and with optional Nozzle
Ducting can also be connected to the rear of the unit to draw fresh air from outside the building or to the front of the unit heater for distribution through a ceiling void or partition to the area requiring heat.
Automatic Controls –
The purpose of automatic control is to minimise direct human intervention in the system and to reduce the operator’s tasks only to the pre-selection of the required parameters.
The rest of the functions should be performed by the automatic control system .We offer the following automatic control solutions for our unit heaters –
- Power Supply /Control Box – These are designed to supply and control the operation of the single speed, two speed and explosion-proof unit heaters. The box incorporates:
›main switch
›over-current breakers
›contactors and relays
›signal lamps (operation, alarms)
All switch gear components manufactured by leading suppliers of electrical equipment provide the highest reliability. They are incorporated in the box enclosures equipped with a front cover. The actuating levers, adjustment knobs and signalling elements are adjusted from the outside. Internal connections are completely covered and protected to guarantee safe maintenance and normal operation. Other benefits of the Power Supply/Control Box include: large space to accommodate cable and terminals, high safety level, easy operation,servicing and maintenance and operator-friendly design. The size of the box depends on the number of connected fans; up to four devices can be connected to a single box. - Transformer Speed Controllers – five-speed transformer speed controllers are intended for air flow and heat output control. These five-speed transformer speed controllers, allows you to lower the amount of heat output and air volume for the steam unit heater. These are useful when you have selected your steam fan heater, but require a lower output than sizing chart stipulates. Fan speeds are selected manually.
- Additional Automatic Steam Heater Controls-To provide the highest quality and long term,failure free operation of these steam industrial heaters, the control and actuating systems are supplied with Siemens components – These being – Freezing protection thermostats, overheating protection thermostat, temperature controller for practical heat control with options of a room thermostat, room thermostat with timer, valves and valve actuators, air damper actuator and air damper position pre-setting unit.
Steam space heaters casing options
The three smallest steam space heaters (the model 0,1 and 2) come as standard with an Aluzinc stucco embossed finished casing, stainless steel casings are an option.

Our steam unit heater models 0,1 and 2 have an Aluzinc finish casing cover on these steam space heaters, with the option of stainless steel if so required.
The larger high heat outputs models, the models 3 and 4 come as standard with a powder coated steel sheet casing, again stainless steel casings are an option on these steam coil air heaters too.
Heat output data
Steam Unit Heater – FHTERM Model “0” Performance Data – single phase motor option only for this size unit.The ambient temperature or entering air temperature is shown as “inflow air temperature” on the data chart, and the steam heat exchanger is available with 2.8mm or 5 mm rib spacing, which effects the output performance.
Steam pressure also influences the kW output of the unit heater.

Steam Unit Heater – FHTERM Model “1” Performance Data – single phase only motor option on this size unit. The ambient temperature or entering air temperature is shown as inflow air temperature on the data chart and each steam heat exchanger is available with 2.8mm or 5 mm rib spacing, which effects the output performance. Steam pressure also influences the kW output of the unit heater.
Steam Unit Heater – FHTERM Model “2” Performance Data – single phase or three phase motor options on this size unit. Entering air temperature is shown as inflow air temperature on the data chart and each steam heat exchanger is available with 2.8mm or 5 mm rib spacing, which effects the output performance. Steam pressure also influences the kW output of the unit heater.
The heating output parameters for single-phase motor option are the same as for 3-phase motors with delta connection.

Dimension details of the FHTERM Steam fan heaters / Steam air heaters – Models – 0 , 1 and 2

“L” donates the depth of these steam industrial heaters including the fan guard
The size 3 & 4 Steam unit heaters look like this – again horizontal discharge units only.

Steam Air Heaters- Steam Unit Heaters – Steam Fan Heaters – From Flexiheat UK- Models 3 and 4
Steam Unit Heater – FHTERM Model “3” Performance Data – and each heat exchanger is available with 2.8mm or 5 mm rib spacing, which effects the heat output performance. Three Phase 415 Volt only motor.
Steam pressure also influences the heat outputs i.e. the kW output of the steam air heater.

Steam Unit Heater – FHTERM Model “4” Performance Data – and each heat exchanger is available with 2.8mm or 5 mm rib spacing, which effects the output performance. Three Phase 415 Volt only motor.

Dimension details of the FHTERM Steam Fan Heaters / Steam Air Heaters – Models – 3 and 4 – horizontal discharge units

Download Steam Unit / Steam Heater Brochure
And for more technical information please download the following
Technical manual for steam unit heaters
Manual for controls for steam unit heaters
For special requests / orders we can supply these steam space heaters with the heat exchanger manufactured in stainless steel.
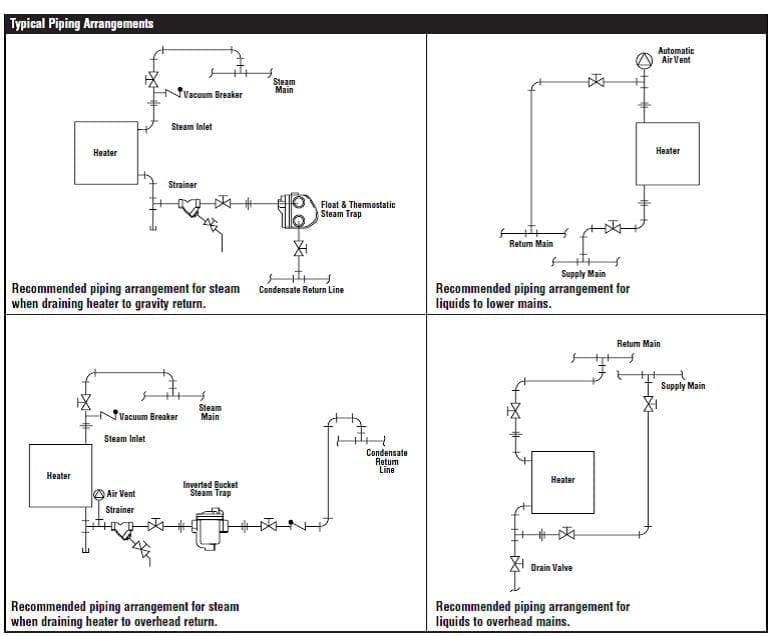
Steam Heater Installation Tips
General Piping Guidelines for steam space heaters industrial –
- Provide adequate support from the building structure to eliminate piping stresses.
- Adequately support all piping. Do not use the steam heater unit for this purpose.
- Allow movement of the piping to provide for expansion and contraction.
- All steam and condensate lines must be of the proper size to carry the calculated loads
- Slope steam piping under 3 mtrs long toward the steam main. If steam pipe is longer than 3 mtrs, slope toward the unit heater and install a drip trap before the unit
- Only continuously draining traps such as inverted bucket or float and thermostatic types should be used. If an inverted bucket trap is used, an air vent should be installed downstream of the unit and before the trap.
- If condensate is to be lifted or if the return system is pressurized, use a check valve after the steam trap and provide a gate valve on the strainer to drain the steam air heater in the off season.
- Maintain the steam fan coil units outlet size to the trap take-off.

Steam Fed Unit Heaters – Safety, Standards and Approvals
All of our steam powered unit heaters / Steam Space Heaters are CE Marked and conform to the following directives – Machinery Safety Directive – 2006/42/WE , Pressure Equipment Directive – 97/23/WE , with sub assemblies meeting the requirements of the following directives: Low Voltage Directive – 2006/95/WE , Electromagnetic Compatibility Directive – 2004/108/WE , as well as the following standards – EN ISO 12100 , EN ISO 14121-1 and EN ISO 13857.
Steam Space Heaters Industrial for Sale
As steam unit heaters suppliers , we think our steam air heaters or steam fan heaters are the best industrial steam space heaters on the market. Should you require anymore assistance or information on our Steam Unit Heaters / Steam Space Heaters , please don’t hesitate to contact our sales team on 01202 822221 or click here for our email contact form.

Flexiheat UK
Flexiheat UK